
TABELAS E CÓDIGOS PARA TERMOPARES
CÓDIGO DE CORES INTERNACIONAL PARA CABOS E FIOS DE COMPENSAÇÃO E EXTENSÃO CÓDIGO DOS CABOS TABELA DE LIMITES DE ERROS

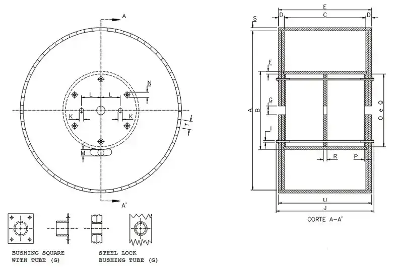
A DIÂMETRO DO FLANGE mm
B DIÂMETRO EXTERNO DO CANO mm
C LARGURA INTERNA mm
D ESPESSURA DO FLANGE mm
E LARGURA EXTERNA mm
F ESPESSURA DAS RUAS DO CANO mm
G FURO CENTRAL (PS)
H QUANTIDADE DE PARAFUSOS PC
I DIÂMETRO DOS PARAFUSOS polegadas
J COMPRIMENTO DOS PARAFUSOS mm
K DIÂMETRO DO FURO DE ACIONAMENTO mm = 2
L DISTÂNCIA DO FURO DE ACIONAMENTO C-C mm
M DIÂMETRO DO FURO DO CABO mm = 1
N DIÂMETRO DAS ARRUELAS PLANAS/CUP mm
O DIÂMETRO DO DISCO DE SUPORTE DA EXTREMIDADE DO CANO mm
P ESPESSURA DO DISCO DE SUPORTE DA EXTREMIDADE DO CANO mm
Q DIÂMETRO DO DISCO DE SUPORTE CENTRAL mm
R ESPESSURA DO DISCO DE SUPORTE CENTRAL mm
S ESPESSURA DO REVESTIMENTO EXTERNO mm
T LARGURA DO REVESTIMENTO EXTERNO mm
U COMPRIMENTO DO REVESTIMENTO EXTERNO mm
V QUANTIDADE DO REVESTIMENTO EXTERNO pc
X CAPACIDADE DE PESO = Kgs
Z ESPESSURA TOLERÂNCIA DA MADEIRA +/- 2mm


CÓDIGO DE CORES INTERNACIONAL PARA CABOS E FIOS DE COMPENSAÇÃO E EXTENSÃO CÓDIGO DOS CABOS TABELA DE LIMITES DE ERROS

DOWNLOAD TABELAS DE DIMENSIONAMENTO NBR 5410 Explanaçâo Com o objetivo de oferecer um instrumento prático para auxiliar no trabalho de

Código de cores de acordo com a DIN 47100 No. Colour Short Form 1 WHITE WH 2 BROWN BN 3

Desvendando o Padrão AWG: Um Guia Técnico para Profissionais e Entusiastas – American Wire Gauge (AWG) para conversão métrica (mm²)

Padrões de cabos britânicos BS4737-3.30:1986 Sistemas de alarme contra intrusão. Especificação para cabos isolados em PVC para fiação de interconexão

Composto Propriedade PVC HDPE CPE Polie tileno Celular Polipro pileno Nylon PUR Resistência à oxidação E E E E E

Cabo de Resistência de Blindagem BS6480: Condutor, revestimento de condutor, resistência da blindagem e condutividade percentual de cabos de 2,

Raio de curvatura mínimo permitido de acordo com DIN VDE 0298 parte 3 Tensão nominal até 0,6 / 1 kV

Cabo de barramento; PROFIBUS DP; Instalação fixa; Impedância característica nominal: 150 Ω; 1x2x0,64; SHF2; Retardante de chama: IEC 60332-1-2; violeta; 8 mm

Maritimus® Cabo Naval Unipolar de Potência e Controle; Armado; Max. 300,00mm²; 0,6/1 kV; 1 condutor; XLPE / SHF1; Flame Retardant; +90°C; IEC 60092

Maritimus® Cabo Naval Unipolar de Potência e Controle; Max. 120,00mm²; 0,6/1 kV; 1 condutor; MICA / XLPE / SHF1; Fire Resistant; +90°C; IEC 60092; 60331

Maritimus® Cabo Naval Multipolar de Potência e Controle Armado; Max. 120,00mm²; 0,6/1 kV; 1 condutor; MICA / XLPE / SHF1; Fire Resistant; +90°C; IEC 60092; 60331
Usamos cookies para melhorar sua experiência em nosso site. Ao navegar neste site, você concorda com o uso de cookies.